产品参数
| 光学结构 | 物方远心 | 
| 倍率(X) | 0.55 | 
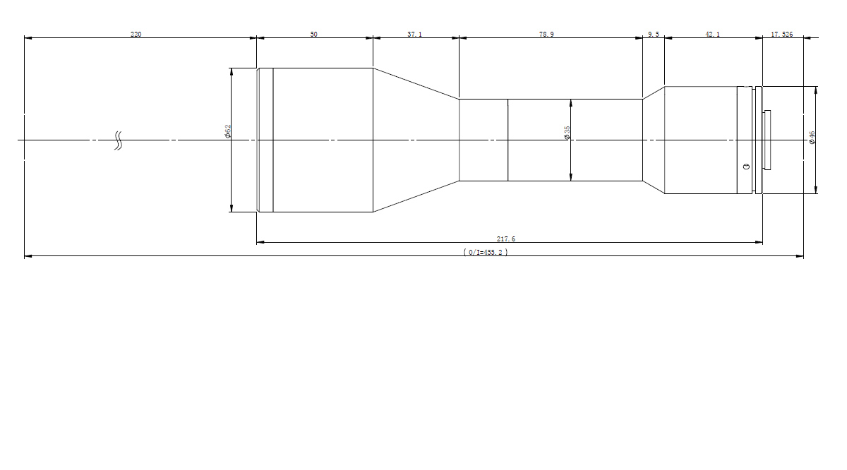
| 工作距离(mm) | 220 | 
| 物方视野φ(mm) | 32 | 
| 像方视野(mm) | 17.6 | 
| 远心设计值° | 0.086 | 
| 景深mm | 2.9 | 
| 光圈 | F8 | 
| 分辨力(μm) | 9.6 | 
| 光学畸变设计值(%) | 0.11 | 
| 镜头接口 | C接口 | 
| O/I(mm) | 455.2 | 
| 最大口径(mm) | 62 | 
| 镜头总长(mm) | 217.6 | 
| 芯片类型 | 1.1" | 
| 芯片长 | 14.2 | 
| 芯片宽 | 10.4 | 
| 对角线 | 17.6 | 
| 物方视野长 | 25.8 | 
| 物方视野宽 | 18.9 | 
| 像方MTF30 (LP/mm) | 125 | 
| 1.1" 14.2x10.4mm | 25.8×18.9 | 
| 1” 13.13x8.76mm | / | 
| 2/3" 8.45X7.07mm | 15.4×12.9 | 
| 65M 29.9X22.4mm | / | 
| 2” 23x23mm | / | 
| APS-C 22.3X16.73mm | / | 
| 8K线扫描 8kX5μm | / | 
| 50M 22.4×22.4 | 
外形图(点击可放大图形)
 
                     
                             
                        
 在线查看
在线查看 申请试用
申请试用 PDF下载
PDF下载 DWG下载
DWG下载 STEP下载
STEP下载
