技术先进性
灿锐的中国梦
镜头产品
技术&销售支持
应用案例
新闻中心
联系我们
EN
中文
EN
填写申请表单
立即提交
您当前所在位置:
首页
>
镜头产品
>
高性价比视觉定位镜头
>
MH-2/3系列
>
XF-MH06X60
MH-2/3系列
XF-MH06X60
在线查看
申请试用
PDF下载
DWG下载
STEP下载
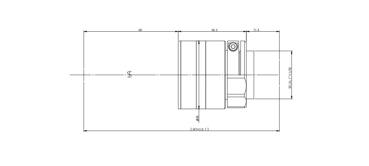
产品参数
倍率(X)
0.6
工作距离(mm)
60
物方视野φ(mm)
18.3
像方视野(mm)
11
景深(mm)
2.1
光圈
F7
分辨力(μm)
7.7
O/I (mm)
113.7
光学畸变设计值(%)
0.094
镜头接口
C接口
1” 12.8x9.6mm
1” 13.1x8.8mm
1.1" 14.2x10.4mm
外形图
(点击可放大图形)
命名规则
(点击可放大图形)