最大支持1’(16.2mm)靶面相机
XF-PTL13716-C
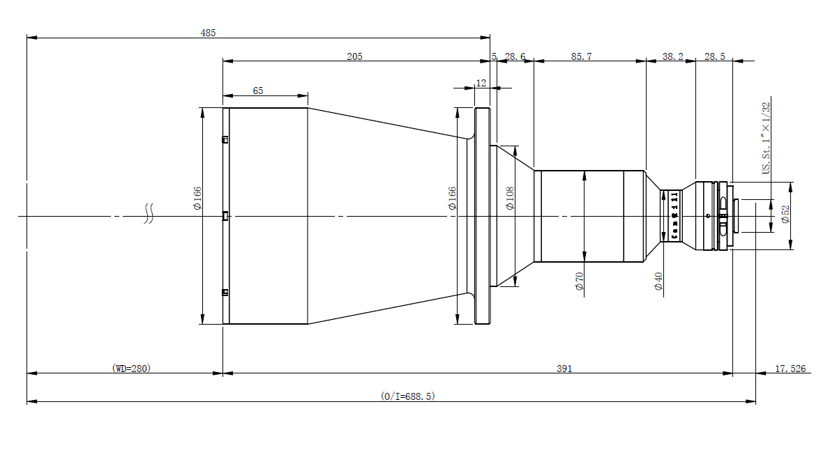
产品参数
| 光学结构 |
双远心 |
| 倍率X |
0.118 |
| 物方视野(mm) |
137.3 |
| 像方视野(mm) |
16.2 |
| 工作距离(mm) |
280 |
| 远心设计值(°) |
0.04 |
| 景深(mm) |
52.4 |
| 光圈 |
F6.5 |
| 分辨力(μm) |
36.35 |
| 光学畸变设计值(%) |
0.038 |
| O/I(mm) |
688.5 |
| 最大口径(mm) |
166 |
| 镜头总长(mm) |
391 |
| 芯片类型 |
1 |
| 芯片长 |
13.1 |
| 芯片宽 |
8.8 |
| 对角线 |
15.8 |
| 物方视野长 |
111 |
| 物方视野宽 |
74.6 |
| 镜头接口 |
C接口 |
外形图(点击可放大图形)
命名规则(点击可放大图形)